Skrutkovanie s vonkajšími rúrkovými závitmi G1/4" - G1/2"
Kód: A005-1412Súvisiaci tovar
Páska je široká 19 mm, dlhá 15 m a hrubá 0,2 mm. Materiál je PTFE.
Páska je široká 12 mm, dlhá 10 m a hrubá 0,08 mm. Materiál je PTFE.
Výrobcom šnúry je Loctite 55. Obsah balenia je 50 m. Používa sa na jemné a hrubé závity do 4".
Výrobca šnúry je Tangit. Obsah balenia je 160 + 20 m. Používa sa na jemné a hrubé závity do 4".
Výrobcom lepidla je Loctite 577. Obsah je 50 ml. Krútiaci moment pri rozjazde je 18-22 Nm. Funkcie pre rúrkové závity do 3" so strednou pevnosťou - plyny (DVGW), voda, kyslík
Výrobcom lepidla je Loctite 620. Obsah je 50 ml. Krútiaci moment pri roztrhnutí je 28 - 36 Nm . Funkcie pre rúrkové závity do 2" s vysokou pevnosťou - plyny (DVGW), pitná voda...
Výrobcom lepidla je Loctite 511. Obsah je 50 ml. Krútiaci moment pri roztrhnutí je 6-11 Nm. Funkcie pre rúrkové závity do 2" s PTFE, vhodné pre plyny (DVGW) a pitnú vodu (KTW).
Výrobcom lepidla je Loctite 542. Obsah je 10 ml. Krútiaci moment pri roztrhnutí je 12-16 Nm. Funkcie pre rúrkové závity do 3/4" so strednou pevnosťou - pneumatika, hydraulika,...
Teflónová tesniaca páska má šírku 12 mm, dĺžku 10 m a hrúbku 0,1 mm. Materiál je PTFE.
Teflónová tesniaca páska má šírku 19 mm, dĺžku 15 m a hrúbku 0,2 mm. Materiál je PTFE.
Výrobca šnúry je HISEAL. Obsah balenia je 20 m. Používa sa na jemné a hrubé závity do 4".
Výrobca šnúry je HISEAL. Obsah balenia je 80 m. Používa sa na jemné a hrubé závity do 4".
Výrobca závitového lepidla je HISEAL HSG-243. Obsah je 10 ml. Povoľovací moment je 12 - 16 Nm. Pre všetky závitové spoje z kovu do závitu 6" so strednou pevnosťou.
Výrobca závitového lepidla je HISEAL HSG-243. Obsah je 50 ml. Povoľovací moment je 12 - 16 Nm. Pre všetky závitové spoje z kovu do závitu 6" so strednou pevnosťou.
Podrobný popis
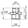
Závitové tvarovky A005-1412
- redukcia s potrubným závitom A005-1412 na prácu so stlačeným vzduchom
- ľahká konštrukcia, vyrobená z poniklovanej mosadze
- dodáva sa len s potrubnými závitmi
- určené pre fluidnú, automatizačnú, meracie a regulačné technológie. Môže sa používať aj pri zváraní a iných aplikáciách.
Dodatočné parametre
| Kategória: | Tvarovky s vonkajším potrubným závitom |
|---|---|
| Tlak: | 10 bar |
| Dĺžka 1: | 22,5 mm |
| Dĺžka závitu 1: | 8 mm |
| Dĺžka závitu 2: | 10 mm |
| Materiál: | Poniklovaná mosadz |
| Médium: | Stlačený vzduch |
| Vyhotovenie závitu: | ISO 228 / DIN 2999 |
| Závit: | G 1/4", G 1/2" |
| Závit 1: | G 1/4" |
| Závit 2: | G 1/2" |
| Systém spojenia: | Závitové šróbenie |
| Skladom: | Na predajni, Externý sklad |
| Dĺžka 1: | 22,5 mm |
| Dĺžka závitu 1: | 8 mm |
| Dĺžka závitu 2: | 10 mm |
| Materiál: | Poniklovaná mosadz |
| Médium: | Stlačený vzduch |
| Vyhotovenie závitu: | ISO 228 / DIN 2999 |
| Závit: | G 1/2" |
| Závit 1: | G 1/4" |
| Závit 2: | G 1/2" |
| Systém spojenia: | Závitové šróbenie |
| Tlak: | 10 bar |
Skrutkovanie s vonkajšími závitmi G1/4" - G1/2". Vyrobené z čistej mosadze MS 58, určené na výrobu kovania. Dodáva sa s vonkajšími potrubnými závitmi. Určené pre technológiu...
Liatinová armatúra Holendr s vnútorným závitom R 1" do 25 barov. Vyrobené z temperovanej žiarovo pozinkovanej liatiny. Určené predovšetkým na rozvody vody a stlačeného vzduchu...
Určené pre závit G 1/2". Vnútorný priemer je 21 mm a vonkajší priemer je 26 mm. Základný tmel na utesnenie závitových spojov v pneumatických zariadeniach.
Určené pre závit G 1". Vnútorný priemer je 33 mm a vonkajší priemer je 39 mm. Základný tmel na utesnenie závitových spojov v pneumatických zariadeniach.
Rýchlospojka s 13 mm hadicovým tŕňom účinne chráni pred nechceným odpojením. Odpojenie je možné len vtedy, keď je krúžok presne nastavený. Určené pre stlačený vzduch a kvapaliny...
Liatinová armatúra Holendr s vnútorným závitom R 3/8" do 25 barov. Vyrobené z temperovanej žiarovo pozinkovanej liatiny. Určené predovšetkým na rozvody vody a stlačeného vzduchu...
Liatinová armatúra Holendr s vnútorným závitom R 1 1/2" do 25 barov. Vyrobené z temperovanej žiarovo pozinkovanej liatiny. Určené predovšetkým na rozvody vody a stlačeného...
Určené pre závit G 1 1/2". Vnútorný priemer je 48 mm a vonkajší priemer je 55 mm. Základný tmel na utesnenie závitových spojov v pneumatických zariadeniach.
Určené pre závit G 1/4". Vnútorný priemer je 13,5 mm a vonkajší priemer je 18,0 mm. Základný tmel na utesnenie závitových spojov v pneumatických zariadeniach.
Určené pre závit G 1". Vnútorný priemer je 33,5 mm a vonkajší priemer je 39,1 mm. Základný tmel na utesnenie závitových spojov v pneumatických zariadeniach.
Určené pre závit G 2". Vnútorný priemer je 60 mm a vonkajší priemer je 68 mm. Základný tmel na utesnenie závitových spojov v pneumatických zariadeniach.
Určené pre závit G 1/4". Vnútorný priemer je 13 mm a vonkajší priemer je 18 mm. Základný tmel na utesnenie závitových spojov v pneumatických zariadeniach.
Určené pre závit G 3/4". Vnútorný priemer je 27 mm a vonkajší priemer je 32 mm. Základný tmel na utesnenie závitových spojov v pneumatických zariadeniach.
Určené pre závit G 3/4". Vnútorný priemer je 26,5 mm a vonkajší priemer je 33,0 mm. Základný tmel na utesnenie závitových spojov v pneumatických zariadeniach.
Liatinová armatúra Holendr s vnútorným závitom R 1/2" do 25 barov. Vyrobené z temperovanej žiarovo pozinkovanej liatiny. Určené predovšetkým na rozvody vody a stlačeného vzduchu...
Určené pre závit G 1 1/4". Vnútorný priemer je 42 mm a vonkajší priemer 49 mm. Základný tmel na utesnenie závitových spojov v pneumatických zariadeniach.
Buďte prvý, kto napíše príspevok k tejto položke.
Buďte prvý, kto napíše príspevok k tejto položke.