Aluminium Profile IM 40-8, 40x80, Heavy Duty
Code: 084.114.004Related products
Product detailed description
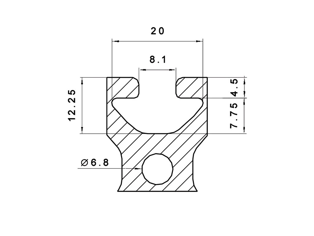
Aluminium profile with a rectangular cross-section designed for creating standard structures with higher loads in the direction of the longer side.
Heavy-duty version with a weight of 4.58 kg/m.
Universal connection options thanks to 6 grooves on all sides of the profile.
Made from EN AW 6060 T5 aluminium alloy, anodised layer of more than 12 microns, tolerance according to EN 12020-2.
Can be supplied in large bundles containing 60 bars.
Compatibility
This product can replace the following products on the market:
| Code | Ord. C. | Note |
|---|---|---|
| ALU | 104080 | weight 3.96 kg/m |
| ALV | PRO8040 | weight 4.54 kg/m |
| FMS | 05.01006.00 | weight 4.38 kg/m |
| ITE | 0.0.026.04 | weight 4.53 kg/m; cut-off |
| ITE | 0.0.452.94 | weight 4.53 kg/m; piece of 3000 mm |
| ITE | 0.0.452.95 | weight 4.53 kg/m; piece of 6000 mm |
| DRE | 01.4080.P6A / BPRDD0000121 | weight 4.214 kg/m; length 6100mm |
Warning: the alternative product we offer may have technical deviations from the original product. Please contact us to explain the differences.
Joining profiles
The choice of fixings between different profiles is very important in any assembly structure. The customer can choose from various solutions depending on the required implementation time or the nature of the load or load-bearing capacity.
1. Joining with screws in the groove
This is the simplest and fastest way to assemble. This connection system guarantees good perpendicularity between two surfaces (depending on the profile section) and good resistance of the mutual connection in the transverse direction to the groove.

2. Joining with a continuous screw from the outside of the profile
This is the strongest method of joining, resistant to mutual movement between two profiles. This method of joining provides better perpendicularity of the joint (which, however, depends very much on the care taken in the quality of the cut). This system does not allow movement of parts in the event of screw loss. Drilling the hole can be done with a pistol drill with two diameters.

3. Joining with joints or angles
This method of joining is usually used where the greatest possibilities of adjustment and easy installation are required. Technical specifications for all products can be found in the product details of the relevant accessory.

Profile threads
It is recommended to respect the depth indicated in the table when creating a thread:
| Profile | Screw diameter | Recommended depth (mm) |
| slot 5 | M5 | 10 |
| slot 6 | M6 | 15 |
| slot 8 | M8 | 25 |
The maximum tightening torques recommended for screws used in the ALUSIC system are:
| Profile | Screw diameter | Max. recommended tightening torque (Nm) |
| slot 5 | M5 | 6 |
| slot 6 | M6 | 10 |
| slot 8 | M8 | 20 |
Compatible accessories for all types of panel connections can be found in the related products tab
Additional parameters
| Category: | Aluminum profiles IM 40x80 |
|---|---|
| Warranty: | 2 years |
| Hmotnost (kg/m): | 4.571 |
| Řez profilu: | 40×80 |
| Série: | IM 40-8 |
| Material: | anodized aluminum |
| Color: | natural |
| Profile length (mm): | 6 040 |
| Moment of inertia lx (cm⁴): | 27,37 |
| Moment of inertia ly (cm⁴): | 102,68 |
| Sectional moment wx (cm³): | 13,69 |
| Section moment wy (cm³): | 25,67 |
| Cutting area (mm²): | 1 696 |
| Minimum length (mm): | 30 |
| Maximum length (mm): | 6 000 |
| Rust: | REZ-B |
| Cut link: | /profile-res-b/ |
Hliníkové profily Alusic
Be the first who will post an article to this item!
Be the first who will post an article to this item!