Hliníkový profil AC 45-8, 45x60, ľahký

Kód: 084.101.041
€37,75 –5 %
327 hlinikovy profil ac 45 8 45x60 lehke provedeni
€37,75 –5 % €35,86 / m €29,64 bez DPH €215,16 / 6 m
Skladom (24 m)
Môžeme doručiť do:
13.05.2026
Možnosti doručenia

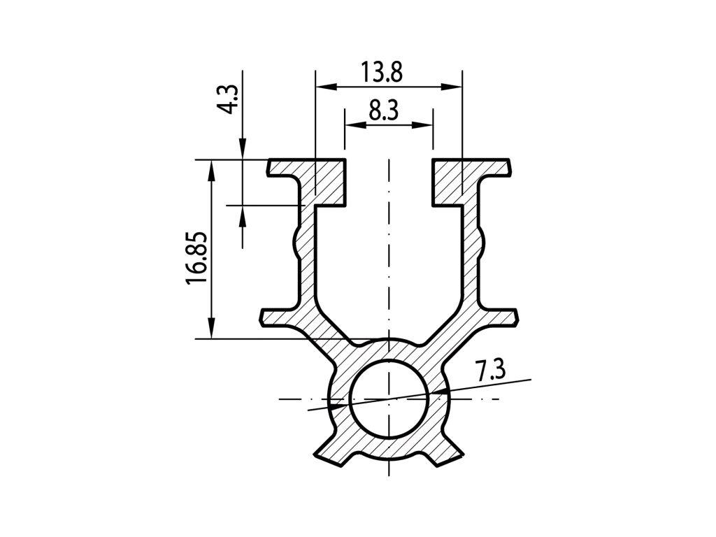
Hliníkový profil s modulovým rozmerom rezu 45x60 a so 4 drážkami tvaru AC 45-8. Ľahká verzia s hmotnosťou 2,04 kg/m.

Detailné informácie

Doprava zadarmo
Doprava zadarmo
pri nákupe nad 200 €
Garantujeme
Garantujeme
predĺženú záruku a servis
Zľavový voucher
Zľavový voucher
ku každému nákupu
Vrátenie tovaru do 30 dní
Vrátenie tovaru do 30 dní
úplne na naše náklady

Podrobný popis

Hliníkový profil s obdĺžnikovým rezom určený na vytváranie bežných štruktúr s vyšším zaťažením v smere dlhšej strany.

Ľahký variant s hmotnosťou 2,04 kg/m.

Univerzálne možnosti pripojenia vďaka 4 drážkam na všetkých stranách profilu.

Vyrobený z hliníkovej zliatiny EN AW 6060 T5, anodizačná vrstva viac ako 12 mikrónov, tolerancia podľa normy EN 12020-2.

Možnosť dodávky vo veľkých baleniach - malý zväzok 2 tyče, veľký zväzok 60 tyčí.

Spájanie profilov

Výber upevnenia medzi rôznymi profilmi je veľmi dôležitý v každej montážnej štruktúre. Zákazník má možnosť vybrať si rozličné riešenia závisiace na požadovanom čase realizácie alebo charaktere záťaže či nosnosti.

1. Spájanie pomocou skrutiek v drážke

Jedná sa o najjednoduchší a najrýchlejší spôsob montáže. Tento systém spojenia garantuje dobrú kolmosť medzi dvoma povrchmi (v závislosti na reze profilov) a dobrú odolnosť vzájomného spojenia v priečnom smere k drážke.

2. Spájanie pomocou priebežnej skrutky z vonkajšej strany profilu

Jedná sa o najsilnejší spôsob spájania odolný voči vzájomnému pohybu medzi dvoma profilmi. Tento spôsob spájania poskytuje lepšiu kolmosť spoja (čo ovšem veľmi závisí na starostlivosti o kvalitu rezu). Tento systém neumožňuje pohyb častí v prípade straty skrutky. Vyvŕtanie otvoru môže byť prevedené pištoľovým vrtákom s dvoma priemermi.

3. Spájanie pomocou spoja alebo uholníkov

Tento spôsob spájania sa obvykle používa tam, kde je potrebné najväčších možností regulácie a jednoduchej inštalácie. Technické špecifikácie všetkých produktov sú v detaile produktu daného príslušenstva.

Závity profilov

Pre realizáciu závitu je doporučované rešpektovať hĺbku uvedenú v tabuľke:

Profil Priemer skrutky Odporúčaná hĺbka (mm)
drážka 6 M6 15
drážka 8 M8 25

Maximálne uťahovacie momenty odporúčané pre skrutky používané v systéme ALUSIC sú:

Profil Priemer skrutky Max. odporúčaný uťahovací moment (Nm)
drážka 6 M6 10
drážka 8 M8 20

Kompatibilné príslušenstvo pre všetky typy spájania panelov nájdete v záložke súvisiace produkty

Dodatočné parametre

Kategória: Hliníkové profily AC 45x60
Záruka: 2 roky
Hmotnosť (kg/m): 2.04
Rez profilu: 45×60
Séria: AC 45-8
Skladom: Externý sklad
Materiál: anodizovaný hliník
Farba: prírodná
Dĺžka profilu (mm): 6 040
Moment zotrvačnosti lx (cm⁴): 25,43
Moment zotrvačnosti ly (cm⁴): 14,99
Moment prierezu wx (cm³): 8,48
Moment prierezu wy (cm³): 6,66
Plocha rezu (mm²): 750
Minimálna dĺžka (mm): 30
Maximálna dĺžka (mm): 6 000
Rez: REZ-A
Rez link: /hrdza-profilu-a/

Hliníkové profily Alusic

Buďte prvý, kto napíše príspevok k tejto položke.

Nevypĺňajte toto pole:

Buďte prvý, kto napíše príspevok k tejto položke.

Nevypĺňajte toto pole:

Bezpečnostná kontrola