Šroubení s vnějšími trubkovými závity G1" - G1"
Kód: A005-1010Související produkty
Páska je široká 19 mm, dlouhá 15 m a tlustá 0,2 mm. Materiál je PTFE.
Páska je široká 12 mm, dlouhá 10 m a tlustá 0,08 mm. Materiál je PTFE.
Výrobce šňůry je Loctite 55. Obsah balení je 50 m. Používá se na jemné a hrubé závity do 4".
Výrobce šňůry je Tangit. Obsah balení je 160 + 20 m. Používá se na jemné a hrubé závity do 4".
Výrobce lepidla je Loctite 577. Obsah je 50 ml. Povolovací moment je 18-22 Nm . Funkce pro trubkové závity do 3" se střední pevností - plyny (DVGW), voda, kyslík
Výrobce lepidla je Loctite 620. Obsah je 50 ml. Povolovací moment je 28 - 36 Nm . Funkce pro trubkové závity do 2" s vysokou pevností - plyny (DVGW), pitná voda (KTW)
Výrobce lepidla je Loctite 511. Obsah je 50 ml. Povolovací moment je 6-11 Nm. Funkce pro trubkové závity do 2" s PTFE, vhodné pro plyny (DVGW) a pitnou vodu (KTW).
Výrobce lepidla je Loctite 542. Obsah je 10 ml. Povolovací moment je 12-16 Nm. Funkce pro trubkové závity do 3/4" se střední pevností - pneumatika, hydraulika, plyny (DVGW).
Teflonová těsnící páska je široká 12 mm, dlouhá 10 m o tloušťce pásku 0,1 mm. Materiál je PTFE.
Teflonová těsnící páska je široká 19 mm, dlouhá 15 m o tloušťce pásku 0,2 mm. Materiál je PTFE.
Výrobce šňůry je HISEAL. Obsah balení je 20 m. Používá se na jemné a hrubé závity do 4".
Výrobce šňůry je HISEAL. Obsah balení je 80 m. Používá se na jemné a hrubé závity do 4".
Výrobce závitového lepidla je HISEAL HSG-243. Obsah je 10 ml. Povolovací moment je 12 - 16 Nm. Pro všechny závitové spoje z kovu do závitu 6" se střední pevností.
Výrobce závitového lepidla je HISEAL HSG-243. Obsah je 50 ml. Povolovací moment je 12 - 16 Nm. Pro všechny závitové spoje z kovu do závitu 6" se střední pevností.
Detailní popis produktu
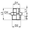
Šroubení s trubkovými závity A005-1010
- redukce s trubkovými závity A005-1010 pro práci se stlačeným vzduchem
- odlehčené provedení, vyrobeno z poniklované mosazi
- dodáváno pouze s trubkovými závity
- určeno pro fluidní, automatizační, měřící a regulační techniku. Využití nalezne i při svařování a dalším využití.
Doplňkové parametry
| Kategorie: | Šroubení s vnějšími trubkovými závity |
|---|---|
| Tlak: | 10 bar |
| Délka 1: | 31 mm |
| Délka závitu 1: | 12 mm |
| Délka závitu 2: | 12 mm |
| Materiál: | Poniklovaná mosaz |
| Médium: | Stlačený vzduch |
| Provedení závitu: | ISO 228 / DIN 2999 |
| Závit: | G 1" |
| Závit 1: | G 1" |
| Závit 2: | G 1" |
| Systém spojení: | Závitové šroubení |
| Skladem: | Na prodejně, Externí sklad |
Šroubení s vnějšími závity G1" - G1". Vyrobeno z čisté mosazi MS 58, určenou pro výrobu šroubení. Dodává se s vnějšími trubkovými závity. Určeno pro techniku stlačeného vzduchu,...
Holendr litinové šroubení s vnitřními závity R 3/4" do tlaku 25 bar. Vyrobeno z z temperované litiny žárově zinkované. Určené především pro potrubní rozvody vody a...
Určený pro závit G 3/8". Vnitřní průměr je 16,9 mm a vnější průměr 21,8 mm. Základní těsnící prostředek pro utěsnění závitových spojů v pneumatických zařízeních.
Holendr litinové šroubení s vnitřními závity R 2 1/2" do tlaku 25 bar. Vyrobeno z z temperované litiny žárově zinkované. Určené především pro potrubní rozvody vody a...
Určený pro závit G 1/2". Vnitřní průměr je 21 mm a vnější průměr 26 mm. Základní těsnící prostředek pro utěsnění závitových spojů v pneumatických zařízeních.
Holendr litinové šroubení s vnitřními závity R 1/4" do tlaku 25 bar. Vyrobeno z z temperované litiny žárově zinkované. Určené především pro potrubní rozvody vody a...
Holendr litinové šroubení s vnitřními závity R 1/2" do tlaku 25 bar. Vyrobeno z z temperované litiny žárově zinkované. Určené především pro potrubní rozvody vody a...
Určený pro závit G 3/8". Vnitřní průměr je 17 mm a vnější průměr 22 mm. Základní těsnící prostředek pro utěsnění závitových spojů v pneumatických zařízeních.
Poniklovaná rychlospojky DN7,2 s trnem pro hadici o vnitřním průměru 13 mm. Provedení z poniklované mosazi MS 58 s jednostranně uzavíratelným ventilem. Nová kontura trnu pro...
Určený pro závit G 1/8". Vnitřní průměr je 10,1 mm a vnější průměr 14,7 mm. Základní těsnící prostředek pro utěsnění závitových spojů v pneumatických zařízeních.
Určený pro závit G 3/4". Vnitřní průměr je 27 mm a vnější průměr 32 mm. Základní těsnící prostředek pro utěsnění závitových spojů v pneumatických zařízeních.
Určený pro závit G 1/8". Vnitřní průměr je 10 mm a vnější průměr 14 mm. Základní těsnící prostředek pro utěsnění závitových spojů v pneumatických zařízeních.
Rychlospojka s trnem na hadici 13 mm efektivně zajišťuje ochranu proti nechtěnému rozpojení. Rozpojení je možné pouze při přesném nastavení prstýnku. Určeno pro stlačený vzduch...
Určený pro závit M5. Vnitřní průměr je 5,3 mm a vnější průměr 8,0 mm. Základní těsnící prostředek pro utěsnění závitových spojů v pneumatických zařízeních.
Určený pro závit G 3/4". Vnitřní průměr je 26,5 mm a vnější průměr 33,0 mm. Základní těsnící prostředek pro utěsnění závitových spojů v pneumatických zařízeních.
Určený pro závit G 1/8". Vnitřní průměr je 10,3 mm a vnější průměr 13,0 mm. Základní těsnící prostředek pro utěsnění závitových spojů v pneumatických zařízeních.
Buďte první, kdo napíše příspěvek k této položce.
Buďte první, kdo napíše příspěvek k této položce.