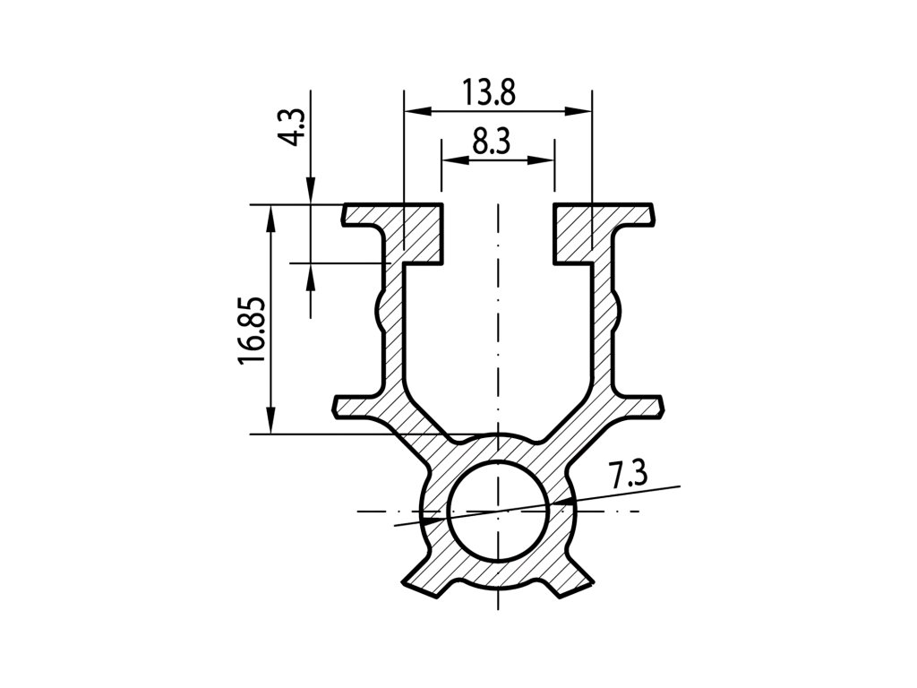
Hliníkový profil AC 45-8, 45x45, kulatý, se 3 drážkami
Kód: 800.029.010Detailní popis produktu
Hliníkový profil se čtvercovým řezem určený pro vytváření běžných struktur.
Připojení díky 3 drážkám na stranách profilu. Strana bez drážky snižuje znečištění profilu a zlepšuje vzhled struktury.
Zaoblené rohy profilu pro snížení rizika poranění. Vyrobený z hliníkové slitiny EN AW 6060 T5, anodizační vrstva více než 12 mikronů, tolerance podle normy EN 12020-2.
Možnost dodávky ve velkých baleních - malý svazek 2 tyče, velký svazek 80 tyčí.
Spojování profilů
Výběr upevnění mezi různými profily je velmi důležitý v každé montážní struktuře. Zákazník má možnost vybrat si rozličná řešení závisející na požadovaném času realizace nebo charakteru zátěže či nosnosti.
1. Spojování pomocí šroubů v drážce
Jedná se o nejjednodušší a nejrychlejší způsob montáže. Tento systém spojení garantuje dobrou kolmost mezi dvěma povrchy (v zásvislosti na řezu profilů) a dobrou odolnost vzájemného spojení v příčném směru k drážce.

2. Spojování pomocí průběžného šroubu z vnější strany profilu
Jedná se o nejsilnější způsob spojování odolný vůči vzájemnému pohybu mezi dvěma profily. Tento způsob spojování poskytuje lepší kolmost spoje (což ovšem velmi závisí na péči o kvalitu řezu). Tento systém neumožňuje pohyb částí v případě ztráty šroubu. Vyvrtání otvoru může být provedeno pistolovým vrtákem se dvěma průměry.

3. Spojování pomocí spoje nebo úhelníků
Tento způsob spojování se obvykle používá tam, kde je zapotřebí největších možností regulace a snadné instalace. Technické specifikace všech produktů jsou v detailu produktu daného příslušenství.

Závity profilů
Pro realizaci závitu je doporučováno respektovat hloubku uvedenou v tabulce:
| Profil | Průměr šroubu | Doporučená hloubka (mm) |
| drážka 6 | M6 | 15 |
| drážka 8 | M8 | 25 |
Maximální dotahovací momenty doporučované pro šrouby používané v systému ALUSIC činí:
| Profil | Průměr šroubu | Max. doporučovaný dotahovací moment (Nm) |
| drážka 6 | M6 | 10 |
| drážka 8 | M8 | 20 |
Kompatibilní příslušenství pro všechny typy spojování panelů naleznete na záložce související produkty
Doplňkové parametry
| Kategorie: | Hliníkové profily AC 45x45 |
|---|---|
| Záruka: | 2 roky |
| Tvar: | kulatý |
| Hmotnost (kg/m): | 1.356 |
| Řez profilu: | 45×45 |
| Série: | AC 45-8 |
| Materiál: | anodizovaný hliník |
| Barva: | přírodní |
| Délka profilu (mm): | 6 040 |
| Moment setrvačnosti lx (cm⁴): | 9,14 |
| Moment setrvačnosti ly (cm⁴): | 8,22 |
| Moment průřezu wx (cm³): | 4,06 |
| Moment průřezu wy (cm³): | 3,65 |
| Plocha řezu (mm²): | 502,04 |
| Minimální délka (mm): | 30 |
| Maximální délka (mm): | 6 000 |
| Řez: | REZ-A |
| Řez link: | /rez-profilu-a/ |
Hliníkové profily Alusic
Buďte první, kdo napíše příspěvek k této položce.
Buďte první, kdo napíše příspěvek k této položce.

Pár slov o společnosti ALUSICALUSIC patří se svým programem v oblasti průmyslových systémů mezi nejvýznamnější evropské výrobce. Více než 200 druhů hliníkových profilů v řadách AC, BH, IM, 3000 spojovacích dílů, program karbonových produktů Carbo6, LED osvětlení do drážky profilu, mnoho typů dopravníků a jejich skvělý konfigurátor, jeřábové dráhy, schodišťové systémy, trubky a spojky pro oblast štíhlé výroby, systém EVO SP pro výrobu krytů, lineární pohony ALL DRIVE, program ALUSOL pro rámy fotovoltaických panelů. To vše tvoří jedinečný koncept produktů, které ocení každý konstruktér nejen v průmyslové oblasti. |
![]() |
Firemní videoSeznamte se společností ALUSIC díky videoprezentaci. Další užitečná videa k programu ALUSIC naleznete na YouTube kanálu ALUSIC výrobce. |
|
Vývoj inovativních řešeníKonstrukční tým společnosti ALUSIC neustále vyvíjí nová a moderní technologická řešení. Výsledkem práce konstruktérů ALUSIC je například jedinečný program profilů a dílů z karbonových vláken Carbo6, unikátní řešení LED osvětlení do drážky profilu nebo mimořádný konfigurátor dopravníků. |
![]() |
Moderní výrobní technologieALUSIC používá nejmodernější výrobní procesy. Seznamte se například s řešením automatického opracování profilů a kompletace zakázek z dodaných STEP souborů. |
Pár slov o společnosti ALUSICALUSIC patří se svým programem v oblasti průmyslových systémů mezi nejvýznamnější evropské výrobce. Více než 200 druhů hliníkových profilů v řadách AC, BH, IM, 3000 spojovacích dílů, program karbonových produktů Carbo6, LED osvětlení do drážky profilu, mnoho typů dopravníků a jejich skvělý konfigurátor, jeřábové dráhy, schodišťové systémy, trubky a spojky pro oblast štíhlé výroby, systém EVO SP pro výrobu krytů, lineární pohony ALL DRIVE, program ALUSOL pro rámy fotovoltaických panelů. To vše tvoří jedinečný koncept produktů, které ocení každý konstruktér nejen v průmyslové oblasti. |
![]() |
Firemní videoSeznamte se společností ALUSIC díky videoprezentaci. Další užitečná videa k programu ALUSIC naleznete na YouTube kanálu ALUSIC výrobce. |
|
Vývoj inovativních řešeníKonstrukční tým společnosti ALUSIC neustále vyvíjí nová a moderní technologická řešení. Výsledkem práce konstruktérů ALUSIC je například jedinečný program profilů a dílů z karbonových vláken Carbo6, unikátní řešení LED osvětlení do drážky profilu nebo mimořádný konfigurátor dopravníků. |
![]() |
Moderní výrobní technologieALUSIC používá nejmodernější výrobní procesy. Seznamte se například s řešením automatického opracování profilů a kompletace zakázek z dodaných STEP souborů. |
Pár slov o společnosti ALUSICALUSIC patří se svým programem v oblasti průmyslových systémů mezi nejvýznamnější evropské výrobce. Více než 200 druhů hliníkových profilů v řadách AC, BH, IM, 3000 spojovacích dílů, program karbonových produktů Carbo6, LED osvětlení do drážky profilu, mnoho typů dopravníků a jejich skvělý konfigurátor, jeřábové dráhy, schodišťové systémy, trubky a spojky pro oblast štíhlé výroby, systém EVO SP pro výrobu krytů, lineární pohony ALL DRIVE, program ALUSOL pro rámy fotovoltaických panelů. To vše tvoří jedinečný koncept produktů, které ocení každý konstruktér nejen v průmyslové oblasti. |
![]() |
Firemní videoSeznamte se společností ALUSIC díky videoprezentaci. Další užitečná videa k programu ALUSIC naleznete na YouTube kanálu ALUSIC výrobce. |
|
Vývoj inovativních řešeníKonstrukční tým společnosti ALUSIC neustále vyvíjí nová a moderní technologická řešení. Výsledkem práce konstruktérů ALUSIC je například jedinečný program profilů a dílů z karbonových vláken Carbo6, unikátní řešení LED osvětlení do drážky profilu nebo mimořádný konfigurátor dopravníků. |
![]() |
Moderní výrobní technologieALUSIC používá nejmodernější výrobní procesy. Seznamte se například s řešením automatického opracování profilů a kompletace zakázek z dodaných STEP souborů. |
|
Pár slov o společnosti ALUSICALUSIC patří se svým programem v oblasti průmyslových systémů mezi nejvýznamnější evropské výrobce. Více než 200 druhů hliníkových profilů v řadách AC, BH, IM, 3000 spojovacích dílů, program karbonových produktů Carbo6, LED osvětlení do drážky profilu, mnoho typů dopravníků a jejich skvělý konfigurátor, jeřábové dráhy, schodišťové systémy, trubky a spojky pro oblast štíhlé výroby, systém EVO SP pro výrobu krytů, lineární pohony ALL DRIVE, program ALUSOL pro rámy fotovoltaických panelů. To vše tvoří jedinečný koncept produktů, které ocení každý konstruktér nejen v průmyslové oblasti. |
![]() |
Firemní videoSeznamte se společností ALUSIC díky videoprezentaci. Další užitečná videa k programu ALUSIC naleznete na YouTube kanálu ALUSIC výrobce. |
|
Vývoj inovativních řešeníKonstrukční tým společnosti ALUSIC neustále vyvíjí nová a moderní technologická řešení. Výsledkem práce konstruktérů ALUSIC je například jedinečný program profilů a dílů z karbonových vláken Carbo6, unikátní řešení LED osvětlení do drážky profilu nebo mimořádný konfigurátor dopravníků. |
![]() |
Moderní výrobní technologieALUSIC používá nejmodernější výrobní procesy. Seznamte se například s řešením automatického opracování profilů a kompletace zakázek z dodaných STEP souborů. |
|
Pár slov o společnosti ALUSICALUSIC patří se svým programem v oblasti průmyslových systémů mezi nejvýznamnější evropské výrobce. Více než 200 druhů hliníkových profilů v řadách AC, BH, IM, 3000 spojovacích dílů, program karbonových produktů Carbo6, LED osvětlení do drážky profilu, mnoho typů dopravníků a jejich skvělý konfigurátor, jeřábové dráhy, schodišťové systémy, trubky a spojky pro oblast štíhlé výroby, systém EVO SP pro výrobu krytů, lineární pohony ALL DRIVE, program ALUSOL pro rámy fotovoltaických panelů. To vše tvoří jedinečný koncept produktů, které ocení každý konstruktér nejen v průmyslové oblasti. |
![]() |
Firemní videoSeznamte se společností ALUSIC díky videoprezentaci. Další užitečná videa k programu ALUSIC naleznete na YouTube kanálu ALUSIC výrobce. |
|
Vývoj inovativních řešeníKonstrukční tým společnosti ALUSIC neustále vyvíjí nová a moderní technologická řešení. Výsledkem práce konstruktérů ALUSIC je například jedinečný program profilů a dílů z karbonových vláken Carbo6, unikátní řešení LED osvětlení do drážky profilu nebo mimořádný konfigurátor dopravníků. |
![]() |
Moderní výrobní technologieALUSIC používá nejmodernější výrobní procesy. Seznamte se například s řešením automatického opracování profilů a kompletace zakázek z dodaných STEP souborů. |
|

