Kulový kohout VL521B - DN10
Kód: VL521B-010Detailní popis produktu
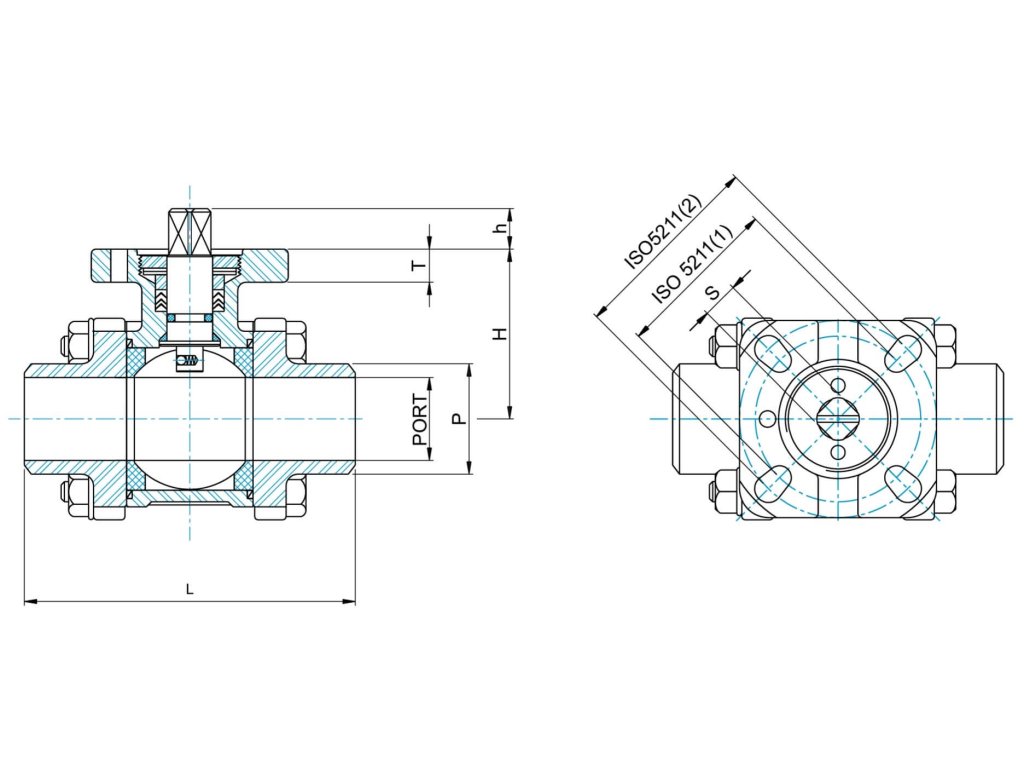
Kulové kohouty VL521B-010
- Nerezové kulové kohouty s návarky určené pro automatizaci pomocí pneupohonu nebo elektropohonu
- 3-dílné provedení, s přírubou pro automatizaci dle ISO 5211
- Určené pro agresivní média, zejména v chemickém a potravinářském průmyslu
Doplňkové parametry
| Kategorie: | Kulové navařovací kohouty třídílné pro automatizaci |
|---|---|
| Tlak: | 63 bar |
| Připojení: | Návarek |
| Materiál: | Nerezová ocel |
| Médium: | Vzduch, Voda, Agresivní média |
| Norma: | ISO 5211 |
| Světlost DN: | 10 |
| Těsnění: | PTFE |
| Ovládání: | Manuální |
| Provedení armatury: | Přímé, Automatizované, Třídílné |
Buďte první, kdo napíše příspěvek k této položce.
Buďte první, kdo napíše příspěvek k této položce.
Společnost s jasným cílem a hodnotamiTo, že Itálie drží pomyslný trumf ve výrobě vzduchu, by mohla potvrdit společnost Omal Automation. Ta je jednou z předních italských firem, specializujících se na výrobu v oblasti stlačeného vzduchu a práce s ním. Především jde o výrobu nejrůznějších kohoutů, ventilů a armatur. Jedná se o firmu, která ke své práci přistupuje se zodpovědností a s jasně daným etickým kodexem, jenž se zaměřuje především na co nejlepší kvalitu nabízenou koncovým zákazníkům. Mezi hlavní hodnoty patří oddanost, úcta a smysl pro povinnost. |
![]() |
![]() |
Sázka na budoucnostSpolečnost se začala v oblasti stlačeného vzduchu poprvé angažovat začátkem 80. let minulého století, kdy vznikl základ rodinného podniku vyrábějící kulové kohouty. Vize blízké automatizace a naplnění potenciálu tohoto odvětví se brzy naplnily a společnost se rok co rok víc a víc rozrůstala. Investice do týmu techniků a inženýrů se ukázala být více než užitečná a společnost se 1987 poprvé stěhuje do větších prostor. To ji v následujících letech čeká ještě dvakrát - v roce 2008 a naposledy v roce 2016. |
Výrobky Omal se za více než čtyřicet let staly zvučným jménem, které si získalo oblibu tisíců a tisíců spokojených zákazníků. Jedním z cílů společnosti však nadále zůstává inovace v oboru a projektování nových konstrukcí. Omal Automation je známa především výrobou kohoutů a armatur, kterým naprosto důvěřujeme z předchozích zkušeností a proto celý nabízený sortiment naleznete níže

