Úchyty snímačov AFM25
Kód: 072906Súvisiaci tovar
Podrobný popis
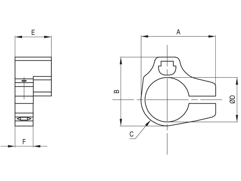
Úchyt snímača AFM25
- rukoväte určené na montáž okolo kruhového profilu valcov
- najmä pre kruhové valce a valce podľa ISO 6432
Dodatočné parametre
| Kategória: | Držiaky senzorov AFM pre pneumatické valce |
|---|---|
| Pre valec: | ISO 6432, Ø 25 mm |
| Pre valec: | ISO 6432, Ø 25 mm |
Buďte prvý, kto napíše príspevok k tejto položke.
Buďte prvý, kto napíše príspevok k tejto položke.
| Rozsiahle skúsenosti dopĺňa široký sortiment výrobkovJedným z tradičných dodávateľov pneumatických komponentov je spoločnosť API (Advanced Pneumatic Industries), ktorá bola založená koncom 80. rokov minulého storočia neďaleko Milána v Taliansku. Viac ako tri desaťročia skúseností poslúžili spoločnosti API na zlepšenie výroby všetkých pneumatických komponentov. Na prelome nového tisícročia spoločnosť výrazne investovala do vlastného vývoja a začala s vlastnou výrobou ventilov a valcov. Od roku 2007 obsahuje katalóg API najširší možný sortiment vo svojej oblasti a výrobky čoskoro putujú po celom svete. Dnes spoločnosť ponúka výrobu a montáž ventilov, valcov a montážneho príslušenstva nielen z hliníka a ocele, ale aj z nehrdzavejúcej ocele. Okrem štandardnej ponuky ponúka API aj možnosť dodávok riešení, ako sú napríklad zostavy ventilových svoriek alebo špeciálne vyhotovenia ATEX. | ![]() |
![]() |
Certifikát kvality za dobrú cenuZákazník sa môže spoľahnúť na celý sortiment talianskej spoločnosti. Ide o produkty s dobrými technickými vlastnosťami, pričom ich cena je stále v rozumných medziach. Tieto slová potvrdzujú stovky našich spokojných zákazníkov (najmä z priemyslu), pre ktorých je API preferovanou značkou. Okrem slov však spoľahlivosť výrobkov dokazujú aj dôkladné systémy kvality, ako sú ISO 9001, CISQ, ICIM alebo IQNet, ktorých certifikátmi sa výrobky pýšia. Ponuka v súčasnosti zahŕňa pneumatické valce, chápadlá, kyvné pohony, príslušenstvo valcov a montážne konzoly, elektromagnetické, pneumatické, mechanické a manuálne ventily, zariadenia na úpravu vzduchu, armatúry, spojky a hadice. |

